에코피아(주) > 제품소개 > HMS-3300
HS3003 - High-Performance Relative Humidity and...
Districos | Bewust Kopen | Grootste webshop voo...
HCS-3300 manufacturers & Suppliers | RIBAO Tech...
HTS 300 MGL Licht | Einfach gute LED-Leuchten
HT3300
HTS 300, HTS 650
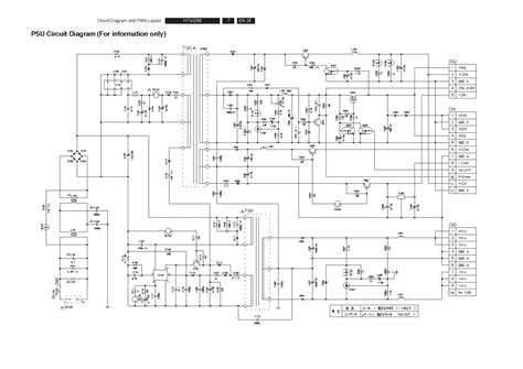
HTS3300 POWER SCHEMATIC SCH Service Manual down...
HST-3000 | VIAVI Solutions Inc.
HS300x series (HS3001, HS3003) - OSS-ECAL English
HT3300 - HT Instruments
Elmuffesvejser, HÖERNER HST 300 - KJ Auktion - ...
HTS-3000 | Adana Makine
HS3000
HTS-A03 : H-Pedia
HT3300 hardware specs
HS-3300 characteristic
HS3003 | RENESAS | Temperature And Humidity Sen...
H-3300
HS300x series (HS3001 and HS3003) - OSS-ECAL En...
HT3300 – ORANGE GREEN INSTRUMENTS
hs303.jpg
Interface HT3300
HS300 - Gateway Portugal
HTS 3000-12 3000W Pure Sine Wave Power Inverter...
HS3300_7753296.PDF Datasheet Download --- IC-ON...
قیمت پایه نگهدارنده هدفون رسنو مدل HS300
Sieger Kundendienst
HT 300 | Arbeitsbühnen-Vermietung Sander KG
PHILIPS HTS3300/98 SERVICE MANUAL Pdf Download ...