Deutz-Fahr 7250 TTV - Okrúhle | Bazar.sk
ÚJ Deutz-Fahr 7250 TTV - AGROPARK - Case, Claas...
Купить Микросхема TDA7250, цена 376 ₴ — Prom.ua...
RO ELECTRONICA: AMPLIFICATOR AUDIO CU TDA 7250 ...
Микросхема TDA7250 - драйвер для мощного стерео...
TDA7250 Datasheet PDF (628 KB) STMicroelectroni...
Another TDA 7250 construction | Forum for Elect...
DA 7250 анализатор в ближнем инфракрасном диапа...
DA 7250 – labinvest
Jual Ic tda 7250 plus pcb nya di Lapak SE elekt...
Тда7250 схема
Deutz TTV 7250 Tractor tweedehands kopen Noordr...
TDA7250 Audio IC parameters, equivalents, app n...
ci TDA 7250 ~ ic TDA7250 ~ 6W audio amplifier w...
TDA7250
DIY Audio For All: TDA 7250 Power Amp
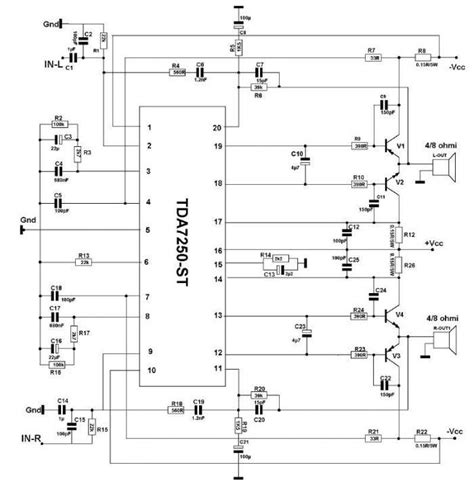
250 watts audio amplifier circuit using tda7250...
Deutz-Fahr 7250 TTV Med frontlift og front-PTO....
Elektronics Schematic Library: Power Amplifier ...
Semiconductor: TA7250 (TA 7250) - 23W HIFI AUDI...
Усилитель низкой частоты (УНЧ) на микросхеме TD...
TDA7250 TDA7250-1 – Все для ремонта электроники
TDA 7250 DATASHEET Service Manual download, sch...
TDA7250 datasheet | Все для ремонта электроники
Схема усилителя (УНЧ) на микросхеме TDA7250 + T...