Реле-прерыватели указателей поворота - Энциклоп...
Реле прерывателя дворников с регулировкой паузы...
Реле дворников с регулировкой задержки своими р...
Ремонт реле прерывателя сигнала поворота. — Ssa...
реле дворников на таврии - YouTube
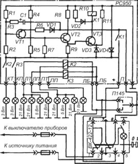
Устройство и работа реле-прерывателей указателе...
Ремонт прерывателя дворников — Nissan Mistral, ...
Прерывистый режим работы заднего дворника
Прерыватель указателей поворота ЭРП-1 Реле пово...
#83.Реле прерывателя дворников с регулировка па...
Прерывистый режим дворников на Буханке без заме...
Реле дворников от Ваз классика с регулировкой. ...
Пусковое реле холодильной витрины - YouTube
Прерыватель-распределитель - Электрооборудовани...
Реле паузы стеклоочистителей на мой Амулет — Ch...
Прерыватель (реле) с регулируемой паузой для дв...
Реле прерывателя стеклоочистителей — Lada 4x4 3...
Включаю поворотники, а работают дворники.Дворни...
Устройство и принцип работы прерывателя распред...
Предохранитель Дворников Приора Где Находится Ф...
Прерыватель стеклоочистителя 48.3787 Пенза ЭМИ,...
Реле стеклоочистителя с паузой на ШИМ - YouTube
Переключатель дворников, и установка. Часть 2 -...
Реле дворников: как проверить и где находится? ...
Регулируемое реле поворотов для светодиодных ла...
Прерыватель распределитель
Как сделать дворники быстрее через реле? - YouTube
Реле — «ВНИИР-Промэлектро»
Не работают дворники на Шевроле Ланос: причина