Усилители электрических сигналов - презентация ...
Электронный усилитель - презентация онлайн
Усилители электрических сигналов. Тема 3.3 - пр...
Усилитель - Описание, предназначение, виды усил...
Электронные усилители - презентация онлайн
Усилители электрических сигналов. Классификация...
Авторский усилитель Предварительный усилитель с...
ЛАМПОВЫЙ УСИЛИТЕЛЬ делаем сами
6. Усилители постоянного тока
Ламповые усилители реальность и иллюзии | Valve...
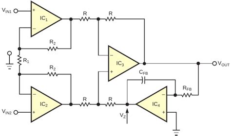
Этот инструментальный усилитель со связью по пе...
Усилители электрических сигналов
Этот инструментальный усилитель может работать ...
Самый красивый ламповый усилитель | Усилитель