реле поворотов — DRIVE2
SG252 - Milartes Mayorista
SG2524D - آنی روت
Микросхема sg2525ap схема включения
Схема подключения реле поворотов минск
ВЕЧНОЕ реле для поворотников своими руками - Yo...
控制器SG2525AN SG2525A SG2525 DIP进口全新电源管...
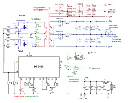
SG3525 в преобразователе на 12-220V - YouTube
10PCS SG2525A DIP SG2525AN SG2525|반도체 집적회...
Sg252b 3pin 24V 130W Steering Flasher for FAW B...
Самое Простое РЕЛЕ ПОВОРОТА ! всего ДВЕ ДЕТАЛИ ...
旋轉開關,電子開關,玄燕電子國際有限公司
Реле поворотов 3-х контактное, DC24V, 130W, SG2...
SG152B/SG252B DC 24V 12V 3 针快速闪烁闪光灯汽车...
Схемы реле поворотов для автомобиля своими руками
Схема подключения реле поворотов
SG254M 120W Flash Relay Alarm High Quality OEM ...
Эрп 1 реле поворотов схема подключения
NEW ABB SG-293B255A26 AUXILIARY RELAY SG293B255...
Схема реле поворотов
245 » RSG Regel- und Steuergeräte GmbH
SG 2525 | PDF | Electronic Oscillator | Amplifier
10-PCS-SG2525-SG2525AP-SG3525AP-SOP16.jpg
SG2524D IC REG CTRLR PWM VM 16-SOIC SG2524D 252...
DS SR25 2-12, Переключатель поворотный 2-12(1гр...
SG3525, нагрев ключей и искаженный меандр на вы...
SG-25 - Купить в Минске - Преобразователь Давления
Усилитель для сабвуфера 250вт. - Авто-аудио - Ф...
Flasher Relay SG252 for turning signal
Реле поворотов на газели - YouTube
Реле поворотов — DRIVE2