Принцип работы и таблица истинности D-триггеров
Логические микросхемы. Часть 8. D - триггер » Э...
D-триггер: принцип работы, таблица истинности
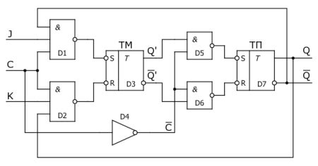
D-триггер с дополнительными RS входами
D-триггер: что это такое, принцип работы, табли...
D триггер принцип работы – Tokzamer
Справочник "Цифровые Интегральные Микросхемы"
Схема триггера на микросхемах кмоп
D-триггер
D-триггеры
Цифровая электроника - D-триггер
Принцип работы d триггера кратко
D триггер таблица истинности с пояснениями
8.3 D-триггер (триггер данных)
D-триггеры. Принцип работы.
Триггер на микросхеме ла3
Триггер микросхема что это такое
RS-триггер. Принцип работы и его типовая схема ...
Схема D-триггера
Логические триггеры: схемы, типы, устройство, н...
Схема двигателя на триггерах