Магнитола пролоджи 515u схема подключения - 84 ...
Принципиальная схема магнитолы
Бюджетная 2-х компонентная АКУСТИКА от PROLOGY ...
Магнитола пролоджи 750 инструкция - 82 фото
магнитола протон - YouTube
Магнитола prology и акустика Kraken! Отличное м...
Схема подключения магнитолы пролоджи - 81 фото
Продам магнитолу Prolocv, купил месяц назад, пр...
Магнитола на мотоцикл + крякалка - YouTube
Автомагнитола Prology MDD-725T MKII, Магнитола ...
Магнитола сошла с ума. — Volkswagen Golf Mk3, 1...
Не Включается Магнитола Prolodgi. Ремонт Магнит...
неРЕАЛЬНО громкая аудиосистема в гараж , в дом ...
Выключатель магнитного поля или магнитный кран ...
Бюджетная процессорная магнитола PROLOGY CMD-33...
магнитола пролоджи — Lada 2114, 1,5 л, 2006 год...
магнитола ПРОЛОДЖИ купить в Омске цена 400 Р на...
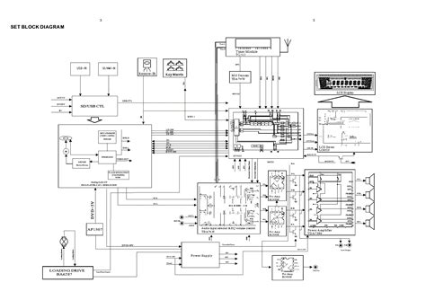
Схема магнитолы prology - Схемы
моторчик из магнита, медной проволоки и батарей...
Продаю Ваз 2114 16кл. ресивер с Хрей, 4-2-1 пау...
Магнитола — Renault Logan (1G), 1,4 л, 2007 год...
Восьми канальный АВТОНОМНЫЙ матюгальник PROLOGY...
Нужна помощь — ГАЗ Газель Next, 2,8 л, 2016 год...
Магнитола Пролоджи Инструкция - showcasevolume
Магнитола для порше кайен - YouTube
Продам) 89086969454 1.Гена 253 с креплением под...
Автомагнитола Prology MDD-702L, Магнитола Prolo...