74HC04
74HC04 Hex Inverter IC - Buy 74HC04 IC Online a...
74HC04 Datasheet: Pinout, Features, and Specifi...
7400 Series Guide: 74HC04/74LS04 (NOT gates)
74HC04 Logic Control, Logic Gate IC Pinout Diag...
IC, 74HC04 hex buffer - Syntaur
14 Pins IC 74HC04 at ₹ 7/piece in Mumbai | ID: ...
74HC04 - Hex Inverter - PCBoard.ca USA and Canada
07- 74HC04 Datasheet - YouTube
74HC04 Hex Inverter: Pinout, Circuit and Datasheet
74HC04 - jpralves.net
SN74HC04N Hex Inverter Logic IC (pack of 3) | D...
74HC00 / 74HC02 / 74HC03 / 74HC04 / 74HC08 / 74...
74HC04 - EEEShopBD
74HC04 Datasheet PDF ( Pinout ) - HEX INVERTERS
74HC Logic Integrated Circuits Electronic Kit 3...
74HC04 | PDF | Logic Gate | Cmos
74HC04 74HC04D|74hc04d| - AliExpress
74HC04-Hex inverter(buffered) - BragitOff.com
100Pcs-74HC04D-74HC04-Sop-14-Ic.jpg
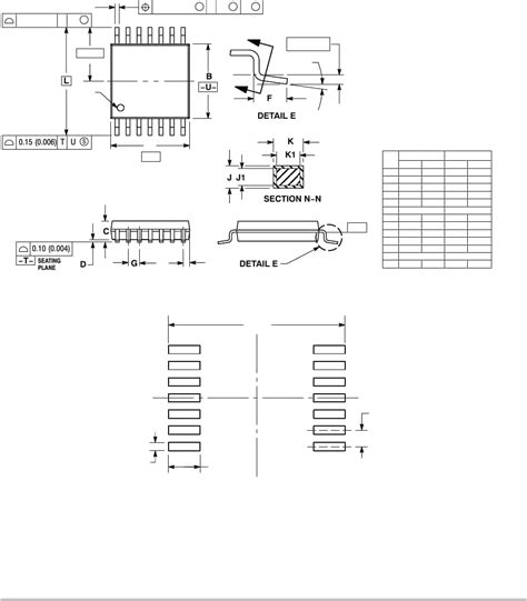
74HC04 datasheet(5/8 Pages) DIODES | HEX INVERTERS
microtivity: Pack of 2 74HC04 Hex Inveter Logic...
74HC04 Datasheet by ON Semiconductor | Digi-Key...
74HC04, 0,22
100 PCS 74HC04D SOP-14 74HC04 HC04 inverter Chi...
74HC04 - 74HC04 - IC - 14 pin DIP 74HC04 Hex in...
74HC04 datasheet(6/8 Pages) DIODES | HEX INVERTERS
74hc04 Datasheet - Specifications, Pin Diagram,...