подключение усилителя к штатной магнитоле Блауп...
2 канальный усилитель звуковой мощности 25 Вт
Купить Автомобильный 2х канальный усилитель зву...
Мой усилитель на 2А3 | ldsound.club
Усилитель булава - YouTube
2-х канальные усилители - Усилители - Studio Sound
Лучший 2-х канальный усилитель в 2021 году!!! 2...
Купить Усилитель автомобильный Blaupunkt AMP750...
Блаупункт
Усилитель 2 х 50 + 100 Ватт.(Два стерео канала ...
Твикать или нет: двухканальный усилитель Lightn...
4х канальный усилитель работает ток 2 канала
Самый лучший и простой усилитель для антенны Т2...
Купить 2000 вт функция Bluetooth 2, 0 мощность ...
Усилитель Bluetooth силовая аудиоплата 20Wx2 Ст...
Как подключить 2-х канальный усилитель, субвуфе...
Двойной КВ усилитель.
Автомобильный усилитель AMP двухканальный 2.120...
Audizio AD200B 2-канальный усилитель звука HiFi...
можно ли на один канал усилителя подключить 2 д...
Продам Bluetooth усилитель 2.1,два канала по 50...
Топ 6 бюджетных 2-канальных усилителей до 4 тыс...
Плата усилителя hifi 2,0 канальный усилитель в ...
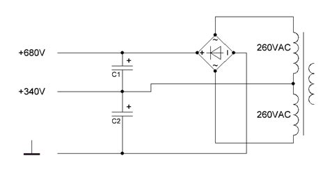
Земельно-питальный вопрос о многоканальных усил...
Какой Антенный УСИЛИТЕЛЬ для Т2 лучше? — schip....
Пульт 2х канальный белый для беспроводного упра...
Sennuopu.ru - официальный интернет-магазин прод...
2 канальный коммутатор акустического сигнала 2 ...
Купить 2-канальный USB-усилитель класса D для д...
Устройства управления освещением | Пульт 2 кана...
Усилитель Блаупункт gta 270 — Citroen Xantia, 1...
2 channel_pa
B2-A, Излучатель звука: пьезоэлектрический сигн...
Штатный усилитель с пищалками от Марк2, Mitsubi...