Схема системы охлаждения форд фокус 2 - 91 фото
Система охлаждения Форд Фокус 2 — DRIVE2
Радиатор охлаждения Форд Фокус 2 С–Макс, Вольво...
Замена радиаторов и патрубков системы охлаждени...
Радиатор кондиционера Форд Фокус 2 Ford Focus 2...
Поиск и устранение течи в системе охлаждения Фо...
#42. Замена радиатора охлаждения — Ford Focus S...
установка фильтра на систему охлаждения Форд Фо...
Форд фокус 2 бачок охлаждающей жидкости – Замен...
Печка дует холодом на холостых. Нужна помощь! Н...
Замена радиатора — Ford Focus Sedan II, 2 л, 20...
Замена радиаторов и т.д. — Ford Focus Sedan II,...
Форд фокус 2 вентилятор охлаждения двигателя – ...
Мойка радиаторов — Ford Focus Hatchback II, 1,6...
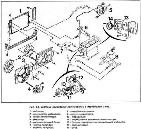
Система охлаждения Ford Focus 2 (Форд Фокус 2)
Установка ЭПВС (PTC heater)-дополнительный элек...
Система охлаждения фокус ст — Ford Focus Wagon ...
Радиатор кондиционера Форд Фокус 3 1.6 мех. бен...
Как снять радиатор на форд фокус 2 – Ремонт For...
Чистка радиаторов — Ford Focus Sedan II, 1,8 л,...
Замена шлангов охлаждения — Ford Focus Sedan II...
Когда коту скучно, он радиаторы моет (: — Ford ...
Форд фокус 2 замена радиатора – Форд Фокус 2: з...
радиатор — Ford Granada Mark II, 2,3 л, 1980 го...
Радиатор охлаждения — Ford Focus Sedan I, 2 л, ...