Lexus LX470 схема датчиков кислорода после ката...
Lexus GX470 2007+ Америка схема SRS AirBag
Купить Lexus LX470 2007 в Магнитогорске, продам...
Lexus LX470 - электрическая схема навигации и п...
Lexus LX470 - электросхемы
Динамик Lexus LX470, Pioneer, компонентные, саб...
Lexus LX470 - электрическая схема зажигания » Р...
Lexus Gx 470 Аккумулятор
Распиновка магнитолы lexus gx470
Lexus LX470 - электрическая схема подключения с...
Lexus lx470 как снять генератор - 95 фото
Восстановление кузова LX470
Lexus LX470 - схема расположения монтажных блок...
Lexus LX470 - электросхемы » Страница 3
Lexus LX470 - электросхема освещения передней п...
Генератор Lexus LX470 купить | Автозапчасти | F...
Lexus LX470 - электрическая схема подключения г...
Lexus LX470 схема топливного насоса
удаление катализаторов lx470
Калибровка vgrs lexus lx470 - 83 фото
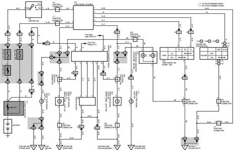
lexus_lx470_turn_hazard_circuit | автоэлектрик
Lexus LX470 - электрическая схема освещения сал...
Диодный мост генератора для LEXUS GX 470, LEXUS...
Тюнинг Lexus lx 470, внешний тюнинг Lexus lx470...
Lexus LX470 - электрическая схема подключений с...
Cars for Sale - Lexus LX LX470 for sale at Oldt...
Lexus LX470 - технические характеристики, фотог...
lexus_lx470_starter_circuit | автоэлектрик
Установка нештатной магнитолы на Lexus LX470 (А...
Генератор Lexus LX, Lexus LX470, Lexus LX470 98...