Кв приемник своими руками для начинающих на мик...
Самодельный приемник кв
Приемники » Вот схема! - Электронные схемы
КВ приемник «Малыш» - купить по выгодной цене |...
Кв приемник своими руками схема - Схемы
Ламповые радиоприемники, схемы и изготовление с...
Очень простой приемник на КВ диапазон своими ру...
КВ приемник «Лидия-2» | Электроника | АлиЭкспресс
Купить КВ и УКВ радиоприемники на QRZ.RU
Приемник кв наблюдателя на микросхеме
КВ приемник-регенератор на полевом транзисторе ...
Самодельный КВ приёмник с синтезатором частоты ...
Ламповый любительский кв приемник своими руками
ZQV-регенеративный приемник КВ диапазона.
КВ приемник своими руками для начинающих. Принц...
Схемы приемников коротковолнового (кв) диапазона
Кв приемник своими руками
Простой КВ приемник «Лидия» - купить по выгодно...
Кв приемник своими руками для начинающих на лампах
Кв приемник своими руками для начинающих: Схема...
КВ Приемник "KARLSON" (КАРЛСОН) - купить по выг...
Кв приемник с двойным преобразованием • HamRadio
💎Простейший КВ приемник СВОИМИ РУКАМИ без МИКРО...
Простой коротковолновый (КВ) приемник для начин...
Простой КВ приемник для начинающих на К174ХА10 ...
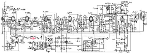
Всеволновый КВ приемник "Радио-87ВПП".
Простой кв приемник на транзисторах схема