Конструктор световых эффектов для гирлянд
Конструктор Световых Эффектов
Конструктор 3D CaDA Японском магазин, 8 световы...
Конструктор световых эффектов
АВТОМАТ СВЕТОВЫХ ЭФФЕКТОВ | МОДЕЛИСТ-КОНСТРУКТОР
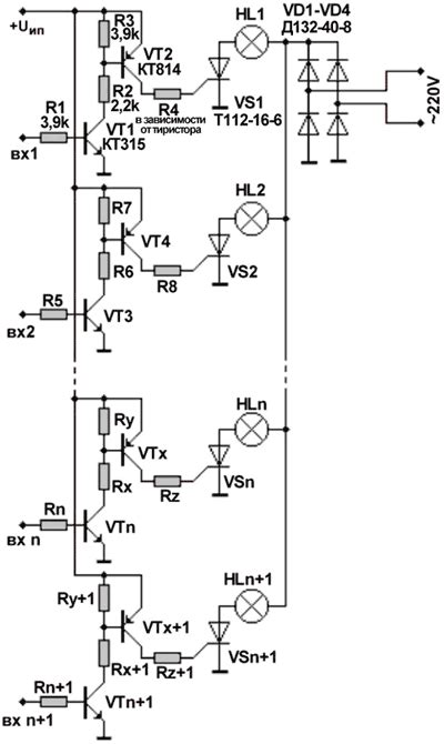
Универсальный конструктор световых эффектов для...
Набор - электронный конструктор автомат световы...