2SA912 Datasheet and Replacement, Transistor Eq...
KSA992FTA 50 New Onsemi transistors - sub 2SA99...
5Pcs 2SA992 2SC1845 A992 C1845|Performance Chip...
30PCS OR 2SA992/2SC1845 A992/C1845 Transistor N...
5pairs 2SA992 2SC1845 TO-92 10PCS | eBay
KSA992F transistors 10pcs sub for 2SB641 2SA493...
2SA995 datasheet(1/1 Pages) ETC | 2SA995
Datasheet 2SA992 NEC - Preview and Download
2sa992-a992 pnp transistor to92-lot of 2 # tr01...
100PCS 2SA992 TO 92 2SC1845 TO92 10pairs (10PCS...
Semiconductor: 2SA992 (2SA 992) - PNP-TRANSISTO...
Semiconductor: 2SA970 (2SA 970) - TRANSISTOR SI...
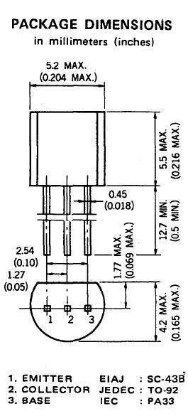
2SA992 PNP Silicon Transistor
2SA992 Original supply, US $ 0.3-0.5 , [Nec] NE...
1PCS-2SA839-2SC1669-C1669-A839-2SA843-2SA892-2S...
2SA992 Datasheet - Audio frequency low noise am...
2SA992 / A992 / TRANSISTOR / TO92 / 4 PIECES (q...
2SA992
5pairs OR 10PCS NEC TO-92 2SA992-E/2SC1845-E 2S...
2SA992 Datasheet(PDF) - NEC
KSA992FTA 100 New Onsemi transistors - sub 2SA9...
2SA992 PNP General Purpose Transistor - Datasheet
2SA992 NEC/FAIRCHILD Transistors - Veswin Elect...
KSA992FTA 10 New Onsemi transistors - sub 2SA99...
20PCS 2SA992 TO 92 2SC1845 TO92 10pairs A992 C1...
Sold From 1 Pair 100% Japan Original Nec 2sa992...
2SA992 Transistor A992 – KP Components Inc.
20PCS 2SA992 A992 TO92 TO-92 PNP TRANSISTOR | eBay
2SA992 PNP GENERAL PURPOSE TRANSISTOR X 5PCS - ...
KSA992FTA 10 New OnSemi transistors -- sub 2SA9...
2SA992 Datasheet and Replacement, Transistor Eq...
2SA992 / A992 / TRANSISTOR / TO92 / 10 PIECES (...