Урал-4320 - уничтожен - Подоляка
Электросхема Урал 4320 с описанием назначения п...
Урал-4320 - обзор, технические характеристики, ...
Урал 4320 - ICM Holding
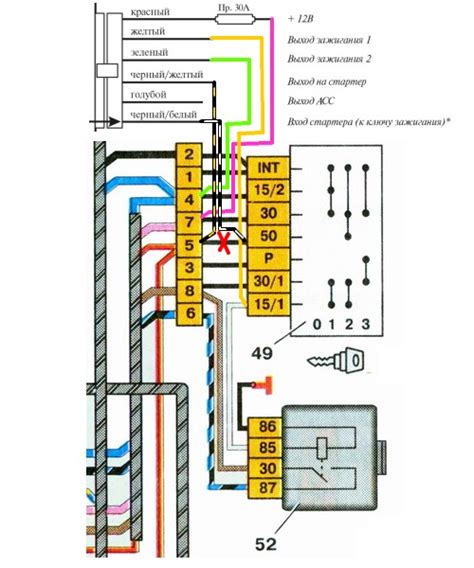
Схема подключения замка зажигания урал 4320 - Ф...
Урал-4320* - уничтожен - Подоляка
Автомобиль УРАЛ 4320, каталог запчастей, технич...
Замок зажигания урал 4320 подключение схема - Ф...
Распиновка замка зажигания урал 4320 старого об...
Замок зажигания урал 4320 – Telegraph
Замок зажигания урал 4320 схема подключения
УРАЛ-4320
Урал 4320 технические характеристики
Как Подключается Генератор На Урал 4320 : Ремон...
УрАЛ 4320 спасает уаз пьяных | АвтоКлуб УРАЛ-4320
Отвал На Урал 4320 Своими Руками : Ремонт Авто ...
Замок Зажигания Урал 4320 Схема Подключения Фот...
Почему Урал 4320 Прыгает На Скорости : Ремонт А...
УралАЗ УРАЛ-4320
Автомобиль Урал-4320, технические характеристики
Грузовой автомобиль УРАЛ 4320: описание
Система выпуска газов Автомобили УРАЛ-4320-10, ...
Печка УРАЛ 4320. Схема, основные неисправности,...
Подключение замка зажигания урал 4320 – Telegraph
УРАЛ 4320 Замок двери в сборе левый 377-6105013...