Что такое реле, схема устройства, виды, произво...
Реле блока управления N30 — Audi 100 (C4), 2 л,...
MN141184 Реле блока управления Mitsubishi | Зап...
Red-Resistor.ru - Селектор каналов_V2
Что такое реле
Простая блокировка реле для автомобиля
Реле приоритета мощности с доп. функционалом - ...
Снижение мощности, потребляемой реле - Источник...
Импульсное реле: устройство, принцип работы, сх...
Стандартное автомобильное реле - Твой автомобил...
Блок реле 4 канала - купить
Блок реле
управление реле одной кнопкой | РадиоГазета - п...
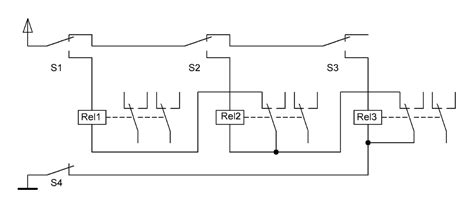
Схема управления реле - Дайте схему! - Форум по...
Дополнительное реле для блока управления, перек...
Реле с беспроводным управлений с пультами
Картинка УПРАВЛЕНИЕ ЧЕРЕЗ РЕЛЕ
РАЗДЕЛ 4 РЕЛЕЙНЫЕ ЭЛЕМЕНТЫ РЕЛЕЙНОЕ УСТРОЙСТВО ...
Реле с пультом дистанционного управления👍 - You...
Статьи Kernelchip :: Подключение реле к выходны...
Управление реле одной кнопкой - YouTube
Реле | это... Что такое Реле?
Презентация по математике "Реле" - скачать бесп...
Уроки Arduino
Что такое реле и какие функции оно выполняет
Принцип работы реле. Основные типы, устройство ...
Управление через реле
Реле блокировки двигателя. Принцип работы, разн...
Управление реле кнопкой без фиксации Без доп ко...
Что такое реле?
Распиновка реле аутлендер
Блок управления регулятором громкости на реле. ...
Управление блоком реле. — Схеми радіоаматорів