Блок питания-зарядное 0…30В/0…10А. — Радиомасте...
Лабораторный блок питания от 0 - 30 Вольт от 0,...
Лабораторный блок питания своими руками 0 30в 0...
Лабораторный блок питания 0-25V 10A. Зарядка дл...
Блок питания для стаканов Baofeng 10V 0,5A (480...
лабораторный блок питания 0-25В / 0-10А (ток и ...
Блок Питания На 0 50 Вольт - potolokvvk
Цифровой лабораторный источник питания (блок пи...
Блок питания 0 - 15 вольт 1.0 А, рабочий! для п...
Лабораторный блок питания 0 – 30В 10А - Radio э...
Блок питания 0-24В своими руками - ТехМагия
Блок питания трансформаторный 10В 0.8А — купить...
Блоки Питания 0 30v 5a – Telegraph
Двухполярный лабораторный блок питания 0-30В*5А...
Блок питания 0-30 вольт 0-9 ампер - Продам-Отда...
Как собрать регулируемый блок питания 0-30 Воль...
Линейный, Лабораторный Блок Питания 0- 45 Вольт...
Сплитер и изолатор за аналогови сигнали 0-10V -...
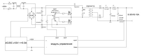
Схема блока питания 0 10а регулируемого
Делаем лабораторный блок питания. 30V-10А. - Yo...