Схема электрооборудования автомобиля газ-3110 с...
Схема 402 двигателя газ 3110 – Telegraph
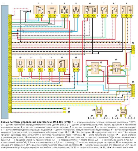
Схема подключения 3110
Подрулевой переключатель дворников газ 3110 рас...
Предохранители и реле Газ 3110 - Блоки предохра...
Схема электрооборудования автомобиля ГАЗ-3110 -...
Генератор газ 3110 406 двигатель схема подключе...
Газ 3110 газ схема подключения - 83 фото
Схема электропроводки волга 3110 с 402 двигателем
Цветная электросхема газ-3110 (31029, 31105, 31...
Газ 3110 реле поворотов схема подключения - 80 ...
Реле Стеклоочистителя Газ 3110 Где Находится Фо...
Электрическая схема автомобиля ГАЗ 3110 с двига...
Схема двигателя газ 3110 – Telegraph
Схема электропроводки газ 3110 406 двигатель ин...
ГАЗ-3110 ::: Схема электрооборудования автомоби...
Схема зажигания газ 3110 схема подключения
Схема электрооборудования газ 3110 с двигателем...
Электрические схемы ГАЗ-3110 «Волга»
Схема подключения стеклоочистителя газ 31 10
ГАЗ 3110
Центральный замок — ГАЗ 3110, 2,3 л, 2000 года ...
Схема зажигания газ 3110 - Схема зажигания - - ...
Панель приборов газ-3110: описание, распиновка ...
Схема электрооборудования автомобиля ГАЗ – 3110
Схема электропроводки газ 3110 402 двигатель