Регулировка сцепления ЗИЛ 131 | замена сцеплени...
Ремонт рулевого механизма ЗИЛ-131
Автомобиль Зил 131 бензовоз
ЗиЛ 131 — Ремонт и комплектующие. РИК24.РФ
ЗиЛ-131 | АвтоКлуб ЗиЛ 131
Крепление -поддон компрессора Зил 130.131: 28 7...
ЗИЛ-131 МРС мастерская купить (3 видео)
Зил 131 кран и самосвал Zil 131 Кран Дизел 1985...
Кольца компрессора Зил 130, 131: 320 грн. - Авт...
Купить КОМПРЕССОР ЗИЛ-130, ЗИЛ-131 - Запорожье ...
Клапан включения переднего моста ЗИЛ 131 (7 видео)
Зил 131 привод компрессора
Ремень генератора зил 131 размеры
Шланг датчика давления масла зил 131
Запчасти ЗИЛ-131 - продам.купити Запчасти ЗИЛ-1...
Принцип работы компрессора зил 131
Компрессор ЗИЛ-131
Маслоприемник и насос масляный ЗИЛ-131 — купить...
Двигатель зил 131 давление масла
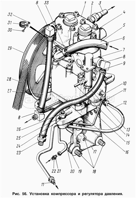
Установка компрессора и регулятора давления ЗИЛ...
Запчасти: Установка компрессора и регулятора да...
Шины на зил 1131, 130: размер, давление, характ...
Бензонасос зил 131 ремонт
Кронштейн компрессора ЗИЛ 130 ЗИЛ 131 ГАЗ 66 СС...