Kẹp Trục Ngang SHF20 - MixASale
[신품] SHF-20-50-2SO-SP 삼익 하모닉 드라이브 (1...
Stainless Steel SHF 20 Bearing, For Industrial ...
Unser neues HLF20 ist da!
Shaft Supports SHF20 | MOTEDIS
1-HLF20-1 (Bj.2020) / 1-HLF20-2 (Bj.2020) « mod...
Hasegawa 1/72 F-20 Tigershark, by George Schembri
SF-20∙20∙1F
SHF20 Linear Shaft Support - RobotDigg
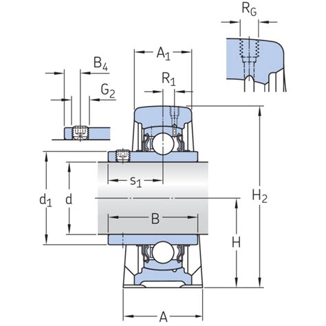
SHF20 - SNB
SCF20-05-1100 EDA | CAD 3D Model Download | Dig...
Shf-20g Isolators - Shf Insulator and Shf 20 In...
SHF20 - SOLIDWORKS - 3D CAD model - GrabCAD
NB LINEAR SHF20 / SHF20 (NEW IN BOX) | eBay
Shf20 Linear Slide Unit For Linear Shaft, High ...
S7cd5b553675c446bbaf1428f639c9566F.jpg
CTS SHF20 LINEAR MOTION BEARING at ₹ 175/piece ...
Neutral Wspornik Końcowy Wałka Liniowego Shf 20...
SHF-20-50-2A-GR-SP original new gear head - SHF...
CTS SHF20 LINEAR MOTION BEARING at Rs 175/piece...
Harmonic Drive, SHF-20-80-2SH-SP - SHF-20-80-2S...
SYF20 TF SKF • SP
STLF 20-25 for Steinau an der Straße
Шф 20 - Каталог продукции
SHF20 Bracket by NB LINEAR
HLF 20 – Freiwillige Feuerwehr Selb