Схема переключения передач маз 5 ступка рисунок...
МАЗ-Зубренок(Корнет).Да будет Свет…Везу Трансфо...
Механизм переключения передач УАЗ Патриот разборка
Коробка передач зф 16 схема переключения маз - ...
Установка смд на маз зубренок - 85 фото
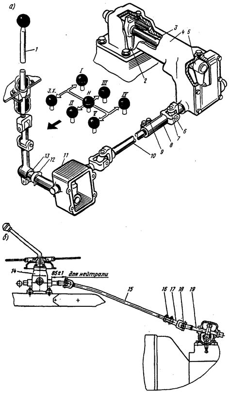
Схема переключения передач маз зубренок
Механизм переключения передач МАЗ промежуточный...
Учебный вопрос № 3 Схемы механизма переключения...
Зубчасті передачі - презентация онлайн
Помогите пожалуйста — Маз зубренок, 3 л, 2006 г...
Схема переключения передач маз зубренок 245 дви...
Механизм переключения передач - Всё для ремонта...
Маз поршень включения делителя - 90 фото
Продам на з,ч МАЗ зубренок 2008 | АВТОРЫНОК СМО...
Зубчатая передача. 14 занятие - презентация онлайн
Замена переключателя передач на "Змейку" — Mazd...
Привод переключения передач дистанционный - Энц...
механизм переключения передач - YouTube
8. Расчет цилиндрической зубчатой передачи
Механические передачи. Зубчатые передачи - през...
Главная Передача Маз Чертеж - solardagor
Ремонт и сборка зубчатых передач - презентация ...
Зубчасті передачі
Как снять редуктор заднего моста маз - 92 фото