Тормозной системы камаз (60 фото) - красивые ка...
Блок управления центрального замка - YouTube
Камаз Схема Фото – Telegraph
Устройство камаз (66 фото) - красивые картинки ...
Как подключить кран управления прицепом камаз е...
Блок камаз (46 фото) - фото - картинки и рисунк...
Блок контрольных ламп КамАЗ подключить. - YouTube
Схема блокировки камаз
Распиновка блока wabco
Абс 1 камаз – Telegraph
Блок камаз схема
Рулевое управление КамАЗ
ПРИБОРНАЯ ПАНЕЛЬ КАМАЗ. ОРГАНЫ УПРАВЛЕНИЯ. - Yo...
Блок контрольных ламп автомобилей КамАЗ
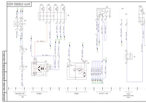
Тормозная система камаз 65115 схема цветная с н...
КамАЗ, блок управления,ремонт - YouTube
Схема камаз панель
Электросхема камаз 5490
Камаз 65115 блок предохранителей и реле схема -...
Кривошипношатунный механизм Камаз
Схема подключения абс
Клапан управления гидроусилителя Камаз