Электрический рубанок ЗУБР со станиной 1300 Вт ...
Зубр ЗР-1300-110 инструкция
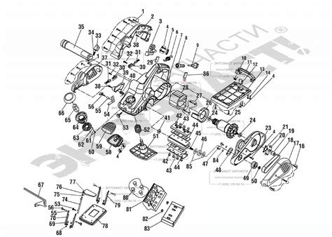
ЗАПЧАСТИ ДЛЯ РУБАНКА ЭЛЕКТРИЧЕСКОГО ЗУБР ЗР-130...
Электрический рубанок ЗУБР 1300 Вт ЗР-1300-110 ...
Корпус рубанка ЗУБР ЗР-1100-110, ЗР-1300-110, а...
Электрорубанок ЗУБР ЗР-1300-110 - YouTube
Рубанок ЗУБР ЗР-1300-110, б/у, в наличии. Цена:...
Каталог :: Электроинструменты :: Электрорубанки...
Рубанок электрический Зубр зр-1300-110 купить в...
Электрорубанок Зубр ЗР-1300-110 купить по низко...
Блокування кордону – 1300 фур змогли проїхати з...