Топливная система уаз буханка инжектор 409 двиг...
Схема патрубков уаз патриот 409 двигатель
Двигатель Уаз Патриот 409
3163110406070 Трубка топливная УАЗ-3163 Патриот...
Трубка топливная слива топлива от регулятора да...
Комплект топливных трубок УАЗ Патриот Евро-2, д...
Схема двигателя уаз патриота 409
Двигатель ЗМЗ-409 06 для УАЗ Патриот
Топливная система УАЗ хантер 409 | Autoline-eu....
обводная трубка двигателя ЗМЗ 409 УАЗ патриот -...
УАЗ Патриот 409 двигатель — характеристики и ос...
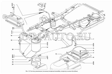
Устройство топливной системы ЗМЗ 409 УАЗ Патрио...
Топливная система уаз буханка (43 фото) - фото ...
Двигатель ЗМЗ 409 Евро-2 УАЗ Патриот Хантер
Особенности двигателя ЗМЗ-409 УАЗ Патриот
Трубка Топливная Уаз Патриот 409Дв К Рампе Прям...
Купить Трубка топливная подачи топлива от ФТОТ ...
Трубка вентиляции картера УАЗ Патриот и др, дв....
Комплект топливных трубок УАЗ Патриот Евро-3, д...
Трубка топливная подачи топлива от фильтра тонк...
Течь топливной трубки к рампе змз 409 — УАЗ Pat...