E 740 FNM Fotos - Bahnbilder.de
บริษัท ทีเอส พลาสแพค จำกัด(มหาชน)
17" Samsung 740N LESB TFT - Санрайз Липецк | Ин...
Samsung 740N
Samsung 740N version 2 power board | Shopee Mal...
Baureihe 740 Fotos - Bahnbilder.de
Samsung Syncmaster 740N 17" LCD Monitor - Grade B
Монитор Samsung 740N за 45 лв. | ID - 8405
Deutsche Bahn Baureihe 740
iF Design - EG-740N
Купить Монитор Samsung 740N по цене 800 руб. с ...
N740VM | Most Recent Photos | Planespotters.net
Монитор SyncMaster 740n от Samsung
New Holland 7740 Erfahrungsbericht - traktortalk
Samsung Syncmaster 740N - instructiontalent
New Holland 7740 Technische Daten - Deutschland
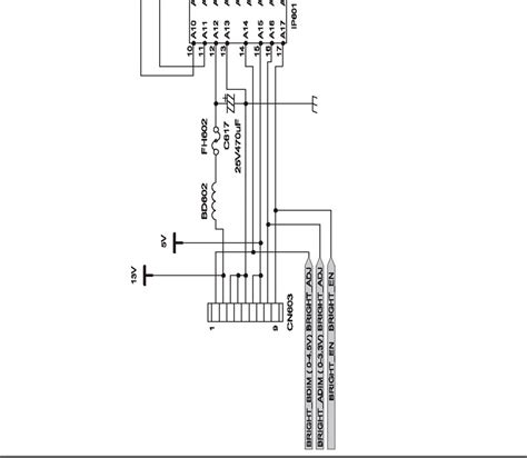
Блок питания и инвертор Монитора 740n - Песочни...
New 740N 940N 940N+ Samsung, www.iccfl.com
FUJIFILM EG-740N | Bimedis
Samsung 740N / 740B reviews | ProductReview.com.au
Images of SoftBank 740N - JapaneseClass.jp
Monitor- Samsung Syncmaster 740N 17inch LCD Auc...
Series 740
Samsung 740N LCD Monitor | Asianic Distributors...
740N | Samsung Support NZ
Германия, Mercedes-Benz O405N2 № DN-DH 740 — Фо...
740 Touring Bild
SAMSUNG 740N Review, SAMSUNG 740N Price, India,...