Объемный датчик движения для охранной сигнализа...
Основные виды и типовые схемы датчиков движения...
Датчик объема для охранной сигнализации: принци...
Датчик движения для сигнализации: проводные, бе...
Датчик движения COCO ALMDT-2000 для охранной си...
Как выбрать датчик движения для охранной сигнал...
Уличный датчик движения с ПИК и СВЧ извещателем...
СВЧ датчик движения для охранной сигнализации. ...
Схема подключения датчика движения для охранной...
Беспроводной PIR датчик движения для охранной с...
Инфракрасный датчик движения с сиреной. Беспров...
Датчик Движения Crow TLC-360 для Охранной Сигна...
Охранный датчик движения: разновидности, принци...
Датчик движения радиоканальный+СВЧ (2 в 1) Hikv...
Виды и принцип действия датчиков охранной сигна...
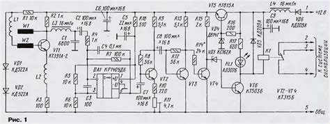
Схема датчика движения охранной сигнализации 59...
Датчик движения для сигнализации: особенности
Виды датчиков движения для охранной сигнализаци...
Датчик движения для сигнализации: как устроен, ...
Датчик движения для сигнализации - как правильн...
Как работает датчик движения, принцип действия ...
Принципиальная схема подключения датчиков
Датчик движения охранной сигнализации схема под...
Купить датчик движения для охранной GSM сигнали...
Датчик движения с ПИК и СВЧ извещателем для охр...
12 В проводной микроволновый инфракрасный датчи...
Датчик движения для включения света микроволнов...
Уличный датчик движения комбинированный ИК+СВЧ ...