Корпус сцепления МТЗ-1221 (2009) (Чертеж № 31: ...
Диск сцепления нажимной в сборе МТЗ-1221, Д-260...
85-1601090 БЗТДиА -Диск сцепления нажимной МТЗ-...
Сцепление МТЗ-1221 (2009)
Купить Диск сцепления нажимной МТЗ-1221., цена ...
Корзина сцепления МТЗ-1221, 2022, 1522, 1523 (9...
Купить Вал силовой сцепления МТЗ 1221 (производ...
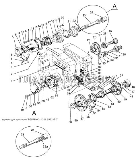
Схема - Корпус сцепления МТЗ 1221
Корзина сцепления ТРАНСМАШ МТЗ-82, МТЗ-1221, ле...
301 Moved Permanently
Сцепление МТЗ 1221: устройство, регулировки, ле...
Комплект прокладок корпуса сцепления МТЗ 1221
РЕГУЛИРОВКА ЛАПОК СЦЕПЛЕНИЯ МТЗ-1221 - MTZ-80.RU
Диск сцепления МТЗ-82,1221,1523 ТМ80-1601130-01...
Корпус сцепления МТЗ-1221
Сцепление к-т в сб. для МТЗ 1221, 1222, 1523, л...
Корзина сцепления МТЗ-1221 - купить недорого оп...
Схема - Установка сцепления МТЗ 1221.5
85-1601130 Диск сцепления МТЗ-82,-1221 (с резин...
Сцепление МТЗ-1221 Беларус - Сайт ЦентрТТМ
Диск сцепления ведомый МТЗ-82,-1221 (демпфер на...
Корзина сцепления МТЗ-1221/1523/2022 (3 пятака)...
85-1601130 Диск сцепления ведомый МТЗ-82,-1221 ...
Диск сцепления МТЗ-1221 Завод 85-1601130-01 куп...
Купить 85-1601090-В Корзину сцепления МТЗ-1221 ...
Корзина сцепления МТЗ-1221 85-1601090-В купить ...
Корпус сцепления МТЗ-1221 (2009)
Ремкомплект корпуса сцепления МТЗ-1221 (4212) к...
Комплект прокладок корпуса сцепления МТЗ 1221 —...
Комплект сцепления лепесткового для МТЗ 1221, Д...
Купить Корзина сцепления МТЗ-1221,-15хх,-2022 М...