Codegen 300w переделка в лабораторный подробно ...
Zasilacz 300W CODEGEN 250XA1 | Tychy | Kup tera...
Блок питания codegen 300w | Festima.Ru - Монито...
Codegen Model 300X1 "S" 300Watt ATX Computer Ne...
Codegen 300w схема модель 300x 59 фото - wForm.ru
Блок питания codegen 300w модель 200x схема
Codegen 300w model 300xa
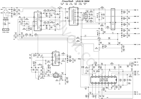
Схема codegen 300w model 300xa
Codegen 300w model 300x • Вэб-шпаргалка для инт...
Codegen 300w model 300xa схема
Блок питания Codegen 300XA 300W 80FAN | Compute...
Блок питания Codegen 300W купить в Ялте | Элект...
Блок питания для компьютера Codegen 300W купить...
Схема бп codegen 300w
codegen 300w v2.03 sb | Forum for Electronics
Ремонт блока питания Codegen Golden Power 300XA...
Блок питания CODEGEN 300 W , небольшой обзор. -...
Блок питания atx 300w Codegen
Как правильно переделать codegen atx 300w в рег...
Купить Блок питания, 300W, CODEGEN, model: 300X...
Codegen 300w
Блок живленя CODEGEN 300W 300X ATX (20+4пін): п...
Схема блока питания компьютера 300w codegen
Codegen 300W. Сколько может работать дешёвый бл...
Блок питания codegen 300W Москва | Комьютерные ...