Тормозная система газ-3309 (дизель): схема, уст...
Как прокачать тормоза с абс на газ 3309 – Тормо...
Пневмогидравлические тормоза газ 3307 – Тормозн...
Тормозная система газ 3309 дизель неисправности...
Тормозная система газ 33081 дизель с абс – Торм...
Схема тормозной системы газ 3309 дизель с абс -...
Купить Вакуумный усилитель тормозов ГАЗ 3309 с ...
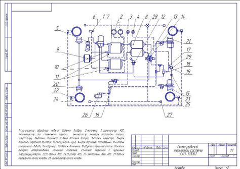
Схема тормозной системы ГАЗ-3309 дизель
Схема тормозной системы газ 3309 дизель с абс
Пневмогидравлические тормоза газ 3307: Тормозна...
Тормозная система ГАЗ-3309 (дизель): схема, уст...
Схема тормозов газ 3309 дизель с абс