ES51920A контроллер для ESR метра | Festima.Ru ...
330мкФ 250В ECAP конденсатор >> недорого купить
Цифровой релиз фильма "Байкеры" с Томом Харди, ...
AirPods Pro 2 ᐈ Купить Apple AirPods Pro 2 в Ук...
Часы Fossil ES5219 — купить наручные часы в инт...
Fossil ES5190 CARLIE Stainless Steel 28mm - Zeg...
Платье-рубашка Elena Miro цвет: голубой – купит...
Vichy набор для лица liftactiv (крем collagen s...
Японские часы Citizen EW1908-59A купить в офици...
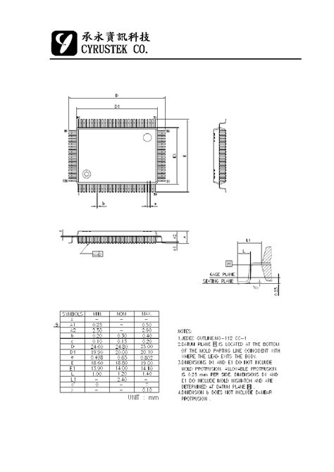
ES51920 datasheet(10/11 Pages) CYRUSTEK | LCR m...
Купить 1 шт. es51922a es51922 новый и оригиналь...
Huawei выпустил часы Watch Buds с беспроводными...
Ноутбук Lenovo IdeaPad 1 15ADA7 (82R10047RA) Cl...
Купить Король Дракон дизайн керосин пламени мас...
Купить ES51922A ES51922 QFP128 1 шт в интернет-...
ES51922A|es51922a| - AliExpress
ES51920 Datasheet(PDF) - Cyrustek corporation
Fossil NEUTRA CHRONO Zegarek ES5219 - Sklep z z...
Сварочный агрегат DENYO DCW-480ESW EVO III LIMI...
ES51920 datasheet(11/11 Pages) CYRUSTEK | LCR m...
Наручные часы Citizen EW1908-59A — купить в инт...
ES51919/ES51920 LCR Meter Chipset Datasheet
Водонагреватель Electrolux EWH 80 Citadel купит...
Vostok Europe Lunochod-2 Chrono Line 6S21-620C6...
ТОП-30: Лучшие автомобильные аккумуляторы [Рейт...
Uszkodzone elementy Volcraft LCR 400: ESD 3,4,5...
【新品主板】全新原裝 ES51922A ES51922 QFP128 數...
ES5190
1pcs Es51922a Es51922 Es5i922a Qfp128 Goodquali...