Микросхема 7107 схема включения - 84 фото
7107-电子发烧友站内搜索
Микросхема АЦП ICL7107, ICL7107R, ICL7107S » S-...
7107 Datasheet(PDF) - List of Unclassifed Manuf...
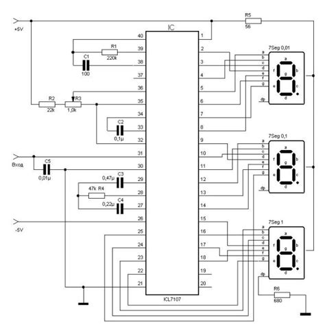
Схемы на микросхеме icl7107
Digital Ammeter Circuit Using IC L7107 | Expert...
Digital voltmeter circuit diagram using ICL7107...
7107 datasheet(1/1 Pages) ETC1 | Common Mode EM...
7107 Datasheet(PDF) - C&K Components
Third Millennium: Boeing 7107
#7107 — Egg Registry
7segmentdisplay - Issue with 7107 IC - Electric...
7107 Music Festival 2014 guide to have an ampli...
ولت متر دیجیتالی با 7107 - فروشگاه نیوکیت : عرض...
Digital Voltmeter Circuit Diagram Using ICL7107...
ICL7107 Display Driver Pinout, Examples, Applic...
7107-RC Datasheet(PDF) - Bourns Electronic Solu...