Фильтр воздушный DAEWOO MATIZ Riginal RG9631449...
Как часто нужно менять масляный фильтр Daewoo m...
Чип Тюнинг Daewoo Matiz
Daewoo Matiz | Техническое обслуживание | Дэу М...
Фильтр воздушный Daewoo Matiz 96591485| Автозап...
Фильтр воздушный Sibtek Арт.AF79 DAEWOO Matiz,T...
Фильтр воздушный Daewoo Matiz 98- MARSHALL MA81...
Daewoo matiz тюнинг двигателя
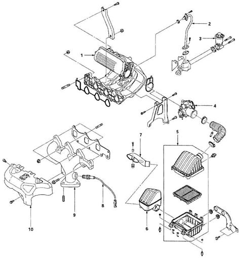
Daewoo Matiz | Система впрыска топлива | Дэу Матиз
Фильтр воздушный DAEWOO MATIZ (M100, M150) Spee...
Daewoo Matiz и подсветка приборки | Пикабу
Салонный фильтр Daewoo Matiz спустя 4 месяца - ...
Как заменить воздушный фильтр кабины на Daewoo ...
Daewoo Matiz: Фотогалерея, полная информация о ...
Замена фильтра грубой очистки бензонасоса (топл...
Фильтр воздушный Goodwill Фильтр воздушный DAEW...
Замена воздушного фильтра или мёртвому припарка...
Автомобили Узбекистана: Тест Daewoo Matiz
воздушный фильтр — Daewoo Matiz (M100/M150), 1 ...
Распиновка предохранителей daewoo matiz - Элект...
воздушный фильтр — Daewoo Matiz (M100/M150), 0,...
Фильтр воздушный DAEWOO Matiz 0.8-1.0L 98 BIG F...
Воздушный фильтр в сборе Daewoo Matiz 1997+
Купить Daewoo matiz искры топлива фильтр сетчат...
Книга по ремонту Chevrolet Spark | Daewoo Matiz...
Комплект фильтров для ТО Daewoo Matiz Матиз 0,8...
Daewoo Matiz Воздушный фильтр в сборе
Daewoo Matiz | Autošroty
Фильтр воздушный Daewoo Matiz 96314494 - купить...