Термодат-10К6/1УВ/1Р/1С/1Т Термодат - цена, опи...
Лампа 6Н16Б-В – E-Goods
Термодат-11 ТЕРМОДАТ
Так Просто! - Page 6 of 1516 - Советы, которыми...
Одноканальный программный пид регулятор-измеритель
Мегаомметр Е6-16 Инструкция - fantasticairing
САЩ одобриха изпращането на изтребители Ф-16 в ...
Термодат 12К6 / Приборы / Измерители-регуляторы...
Суперконденсатор 16V 1.6F (16В 1,6Ф) Автомобиль...
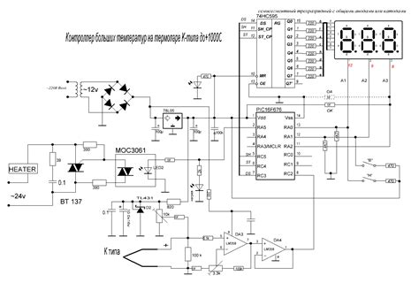
Контроллер больших температур на термопаре K-ти...
Термодат-12 ТЕРМОДАТ
Термодат 16М6-F – Техноавтоматика
Лампа 6Д16Д-Р — E-Goods
Термодат-16 ТЕРМОДАТ
Байдън e одобрил обучението на украински пилоти...
Купить 16А универсальный электронный напольного...
Термодат-16М6 - распаковка, подключение и обзор...
РЕГУЛЯТОР ТЕМПЕРАТУРЫ ТЕРМОДАТ-16Е6
Термостат для теплых полов механический 16 A 23...
Регулятор температуры Термодат-16Е6-А-F | купит...
Купить 16а универсальный электронный напольного...
Регулятор температуры ТЕРМОДАТ-16 | ОАО Электро...
Четырехканальный программный ПИД регулятор темп...
Одноканальный пид регулятор самописец
6 шт./компл. 16 В 16.6F сверх яркий конденсатор...
Термодат 16Е6 / Приборы / Измерители-регуляторы...
Регулятор температуры ТЕРМОДАТ -16Е6-А-F S-0000...
Твердотопливный котел длительного горения Велес...
АРМ оператора закалочной печи (Термодат 16Е6)
Купить бесплатная доставка механический термост...