Схемы электрооборудования УАЗ 469 » Схемы предо...
Uaz 469 Instalacja elektryczna wiązka przewodów...
Ersatzteile UAZ 469. Spare Parts UAS 469. Запча...
Уаз 469 схема проводки: Схема электропроводки У...
Тюнінг УАЗ 469 – як їх модифікують? - vnedorogn...
Электропроводка полная УАЗ 469 (УАЗ 31512, 469(...
Котлета из уаз 469 своими руками
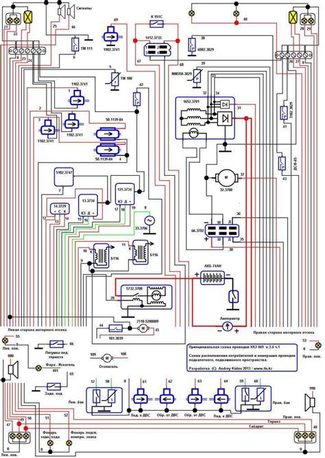
Общая схема электрооборудования автомобиля УАЗ-469
Схема электропроводки УАЗ-469 (Патриот), замена...
Электропроводка полная УАЗ 469 (УАЗ 31512, 469,...
Купить Электропроводка 469 старого образца (2 ж...
Схема электрооборудования УАЗ-469, шт. для УАЗ ...
Схема подключения уаз 469
Схема электрооборудования Уаз 469, купить
Электронная схема уаз 469
Купить КПП УАЗ 469 4-хступенчатая нов. обр. кор...
Схема электрооборудования УАЗ 469: устройство, ...
Уаз 469 не включается скорость
УАЗ- 469: как усовершенствовать самому, разбира...
Электропроводка 469 (приборы с/о) > Электропров...
Электропроводка уаз 469 схема подключения
Схема подключения высоковольтных проводов на уа...
Купити Комплект прокладок УАЗ 469 редукторного ...
Тюнінг панелі приладів УАЗ 469 - VnedorognikBlog
Тюнінг підвіски УАЗ 469
Электропроводка УАЗ 469 (компл. на авто) (Автоп...
Архивы схема электропроводки уаз 469 - Vaz-uaz.ru
Важность заземляющего провода двигателя УАЗ 469...
Схема электропроводки уаз 469 схема - качествен...
Схемы Уаз 469 - Все схемы электрооборудования У...