БЛОК ПИТАНИЯ из Китайских Модулей - YouTube
Лабораторный блок питания из китайских модулей ...
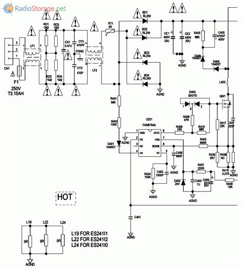
Схема блока питания китайского телевизора
Китайский Блок Питания Тв - instructionunity
Лабораторный БЛОК ПИТАНИЯ своими руками / Лабор...
📦 Блок питания 300W с AliExpress 🌋 - Тестируем ...
Лабораторный блок питания из кита... стоит ли б...
Блок питания из китайского kit набора - Питание...
Хороший "китайский блок питания для ноутбука" п...
Импульсные блоки питания | AmperMarket.kz
Лабораторный блок питания 4 - 20 Вольт 3 Ампера...
Блоки питания
Китайский производитель литиевых батарей | Мы я...
Китайская поьсда | Пикабу
Китайский или оригинальный блок питания для ноу...
продолжение китайский блок питания - YouTube
Продам пару блоков питания на 500W
Регулируемый блок питания из китайского зарядно...
Китайский блок питания с железной стружкой и зе...
Китайский блок питания или полная фигня! #ledma...
Победа по китайски | Пикабу
WASP.kz - Статьи: Xin Hai XH-300 блок питания, ...
Куплю блок питания
Блок питания универсальный -з.у.с регулировкой ...
Китайский блок питания для май... - YouTube
Блок питания сетевой Type-C разьем , + кабель 8...
Продам китайский лабораторный блок питания - Пр...
Блоки питания для различных типов устройств
блок питания, китай 75в 5а купить в Краснодаре ...
Диагностика, 🛠️ ремонт и доработка китайского б...
Сопротивление и китайский блок питания на «70В ...