Обзор блока питания CHIEFTEC FORCE 650W: еще не...
Блок питания Chieftec 500W GPB500S 120 mm 20+4p...
Блок питания Chieftec 350W
Блок питания Chieftec GPS-550A8
Chieftec 550W napajanje
Блок питания CHIEFTEC 850w: 2 550 грн. - Компле...
Распаковка и обзор Блока питания Chieftec GPS-5...
Блок питания Chieftec 550W 400 c. №9821209 in Д...
Блок питания Chieftec i-Arena GPA-550S 550W – ф...
Блок питания 550W Chieftec CPS-550S купить в ОГ...
Обзор блока питания CHIEFTEC PHOTON 650W: сэкон...
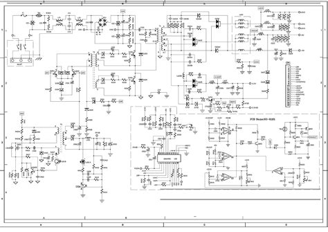
Ремонт БП Chieftec APS-550C, сгорел ШИМ - ATX и...
Блок питания CHIEFTEC 1000-1250W безпроводов: 9...
Блок питания Chieftec 550W (GPS-550A8) – фото, ...
Блок питания Chieftec CTG-550C 550W
Блок питания CHIEFTEC 550W
Блок живлення Chieftec 550W POLARIS (PPS-550FC)...
Блок питания Chieftec Compact 650W [CSN-650C]
Блок питания Chieftec APS-550CB
Блок питания CHIEFTEC 500W (APS-500SB) | Собери...
Блок живлення CHIEFTEC 550W (CSN-550C) – низкие...
Chieftec aps 550c схема
Блок питания Chieftec GDP-550C:
Купити Chieftec 550W SteelPower зі знижкою 🔥 Fl...
Блок питания Chieftec 550W POLARIS (PPS-550FC) ...
Купить Блок питания Chieftec A-90 550W [GDP-550...
Блоки питания Chieftec APS-550S 550W - «Отличны...
Не рабочий блок питания Chieftec 750 650 500W н...
Блок питания Chieftec 850w — купить в Красноярс...