Как правильно соединить водогазопроводные трубы...
Виды путевых соединений и арматуры судовых систем
В каких трубопроводах применяют штуцерное соеди...
Производство Штуцерно-торцевые соединения ГОСТ ...
2. Трубы, детали и соединения стальных трубопро...
Металлорукав с арматурой штуцерное соединение
Типы присоединения трубопроводной арматуры. Плю...
Штуцерное соединение
Соединение стальных труб с помощью резьбы: Обзо...
Штуцерные соединения и узлы
Виды штуцеров гидросоединений
Инженерная графика Штуцерное соединение - YouTube
штуцерно-торцевые соединения
Системы СЭУ, назначение и особенности эксплуатации
Резьбовые трубные соединения HANSA FLEX
Типы присоединения трубопроводной арматуры - en...
Как соединить металлические трубы без сварки и ...
Соединение для труб штуцерное прямое коническое...
Популярные методы соединения труб – подробный о...
РАСТВОРОВОДЫ | Справочник строителя | Растворов...
Штуцерное соединение ПВХ, под резьбу, тип 1 - C...
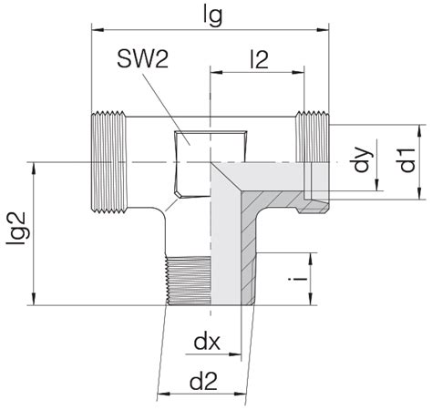
Соединение штуцерное 24-SDT-LL4-R1/8T
Путевые соединения трубопроводов.
Штуцерное соединение. Сборка по сопряжениям в T...
Соединение для труб штуцерное прямое с гайкой 2...
Штуцерное соединение | это... Что такое Штуцерн...
Штуцер резьбовой | ЗАВОД ГИДРАВЛИЧЕСКИХ СОЕДИНЕ...
Штуцерно-торцевое соединение для монтажа трубоп...
Монтажные детали (штуцерные соединения, шайбы и...