Полимеры таблица: Таблица. Физические свойства ...
Polimin П-20 Клейова суміш армувальна для ППС т...
Boeing P-12/F4B / USAAF / USN Library / Forums ...
Капролон, полиамид 6, капролактан, капролактам,...
Boeing P-12B : Boeing
Пжд 12б схема подключения - 92 фото
ДПМ-20-Н1-12Б - Электродвигатели - Постоянного ...
20 франков 1934 года. Король Альберт 1. Бельгия...
Листовой капролон и полиамид ПА6 купить дешево ...
П-20 «Перископ» — Энциклопедия Рувики
ПА 610-Л-Г10 полиамид производства НП ООО "Анид"
Профорієнтаційна робота з учнями "На порозі дор...
Фотография самолёта · Антонов · Ан-12Б · B-1059...
Аванта П-12Б - модуль с бактерицидной лампой, с...
Cos'è la poliammide? Caratteristiche e proprietà
Капролон полиамид 6 графитонаполненный: плита, ...
Металлический гараж. Контейнер, 20-ти футовый. ...
Svit profesiy | PDF
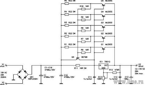
Простой но надежный регулируемый БП 12В 20А | Р...
9-синф ўқувчиларининг умумий ва махсус қобилият...
Завдання № стор.34 (12Б) - Сторінки 26 - 35 - Г...
Подогреватель ПЖД-12Б-1 0125006-20 - Бетоны с э...
Геометрия двусторонней линейки.
Отопитель ПЖД12 - Автозапчасти и автоХитрости
Листовой полиамид (PA)
КЛАПАНЫ — Вентиляционные, Усиленные, Утепленные...
Полиамид капролон (РА). Каталог листов Новосибирск
Лампа генераторная ГИ-12Б. Низкие цены. На скла...
ППК 20-21-12Б УСТ 9465 код модели: 5727 | Купит...
Газоразрядный индикатор ИН-12Б + Ламповая панел...
П 12б 20