Датчик - термистор для микроволновой печи Samsu...
Высоковольтный диод для свч печи: что это и как...
СВЧ-печи Samsung OmniPro
Профессиональные СВЧ-печи против бытовых. Особе...
Магнетрон для СВЧ-печи SAMSUNG Eurokitchen, мощ...
СВЧ-печь. Принцип работы и испытание СВЧ-печи
Защитные устройства микроволновых печей - Radio...
Как проверить магнетрон свч-печки на исправност...
Ремонт микроволновой печи (СВЧ): стоит ли лезть...
Устройство Печи Свч и Принцип ее Работы. Типичн...
Приготовление пищи в микроволновой печи. Схема ...
Ремонт СВЧ печи своими руками | Мастер Винтик. ...
Высокотемпературный датчик термопары типа K для...
Устройство и принцип работы микроволновой печи
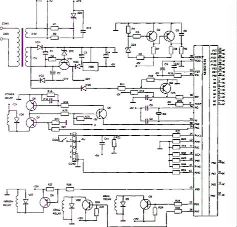
Схема свч печи: Электрические и принципиальные ...
Индикатор излучения СВЧ печи. Схема, описание
Сервисный центр - ремонт СВЧ ПЕЧЕЙ | СЦ "СПЕКТР"
Какими бывают микроволновые печи: виды СВЧ | Бл...
Ремонт СВЧ печи микроволновки. - YouTube
Сенсорная панель на русском для СВЧ (микроволно...
Сенсорная панель управления для СВЧ печи LG MS-...
СХЕМЫ НА ИМПОРТНЫЕ СВЧ ПЕЧИ - Ремонт СВЧ печей
Устройство микроволновой печи на фото
Микровыключатель для микроволновой печи (СВЧ) 3...
Как устроена микроволновка
Температурный датчик, термостат СВЧ печи, микро...
Схема микроволновки от Samsung и принцип работы...
Высоковольтный диод для СВЧ печи - как проверит...
Датчик пара для СВЧ печи Panasonic Запчасти для...