WX-DC2412 Modul Switching Power Supply 24V 4A ~...
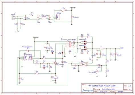
WX-DC2416 PSU - OSHWLab
WX-DC2412 100W High-Power Switching Power Suppl...
Nguồn không vỏ WX-DC2412 12V 100w | STI ELECTRONIC
Buy WX-DC2412 Professional High Power 24V 4A 6A...
Wx-dc2412 24v 100w High Power Switching Power S...
WX DC2416 | PDF
WX-DC2412 24V switching power supply board 4A 6...
Jual WX-DC2412 High Power Switching Power Suppl...
WX-DC2412 Switching Power Supply Module 12V 8A ...
Wx-dc2412 Ac 85-265v Sang Dc 12v 8a Bảng Cung C...
บอร์ดโมดูลพาวเวอร์ซัพพลาย WX-DC2412 100W AC 110...
Napájecí zdroj-modul WX-DC2412 100-265VAC/12VDC...
Імпульсне джерело живлення WX-DC2412 24В 4А куп...
24V 4A Switching Power Supply Board - 100W High...
"wx dc2412" 3D Models to Print - yeggi
"Wx dc2416 схема"
WX-DC2416 PSU - Platform for creating and shari...
Импульсный источник питания WX-DC2412 24В 4А ку...
WX-DC2412 Power Supply Module - 100W High Effic...
12V 8A 100W WX-DC2412 Switching Power Supply Bo...
Promo Modul High Power Supply Switching Module ...
Wx dc2416 схема
Купити Блок живлення безкорпусний відкритий 24В...