Станок магнитный сверлильный "AKTITOOL" AT-55/2...
Силовой автомат для защиты двигателя ABB MО495 ...
Отзывы о держателе для бит магнитный автомат 15...
Автомат магнитный Защитно-отключающее Иэ 9813у2
Магнитный сверлильный станок BDS MAB 2000 (авто...
Магнитный сверлильный станок BDS MAB 825V (авто...
Адаптер-магнитный КЛИК-АВТОМАТ (60 мм; хвостови...
Дифференциальный автомат: устройство, принцип р...
Legrand DPX-125 Термо-магнитный автомат 3п 100A...
Магнитный двигатель: миф или реальность, устрой...
Сверлильный магнитный станок-автомат DM-130 куп...
Купить Сварочное оборудование Шанхай СД2-11 маг...
Упор магнитный автомат. скрытый FANTOM STANDART...
EZD100N3080N Термо-магнитный 3-х полюсный автом...
Магнитное поле постоянного тока: что это, харак...
Сверлильный магнитный станок-автомат DMA-35 куп...
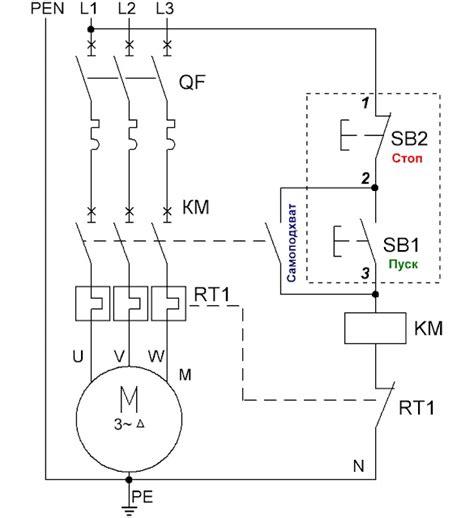
Схема подключения магнитного пускателя с теплов
GV3L406 Силовой автомат для защиты двигателя Te...
Автомат, магнитный пускатель, резисторы купить ...
Автомат Магнитный купить на OZON по низкой цене...
Устройство и принцип работы магнитолы
Магнитная шестерня Бесконтактная магнитная пере...
Подбор автомат защиты двигателя
Магнитный конструктор "Оружие", автомат со звук...
Магнитный пускатель.Мотор автомат | Festima.Ru ...
Автомат, Магнитный пускатель купить в Нижнем Но...
Схема пуска электродвигателя 220В через магнитн...
Магнитный пускатель: описание устройства и прин...
Автомат и магнитный пускатель - YouTube
Автомат Магнитный пускатель 25А Москва | Ремонт...
Монтаж схемы управления трехфазным асинхронным ...