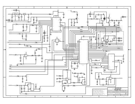
Схема бесперебойника ippon back power pro 500: ...
Ippon back power pro 500 схема - Схемы
Схема бесперебойника ippon back power pro 400: ...
ИБП Ippon Back Power PRO New 500 — купить в Кра...
Трансформатор ибп "Ippon Back Power Pro 500" ку...
Ippon back power pro 500 схема – IPPON Back Pow...
ИБП Ippon Back Power Pro LCD 800 купить в г. Мо...
Ippon Back Power Pro LCD 500 Черный инструкция,...
Ippon Back Power Pro 500 бесперебойник | Festim...
Ippon Back Power Pro 500 New|Источник бесперебо...
Купить Ippon Back Power Pro II 500 по самой выг...
Источник бесперебойного питания ИБП Ippon Back ...
ИБП Ippon Back Power Pro II 500 - UPS PLUS
Ups ippon back power pro 500 ремонт своими руками
Ippon Back Power Pro 500 — купить в Красноярске...
Ippon Back power pro 600 — купить в Красноярске...
ИБП UPS Ippon Back Power Pro 700 Рабочий!!! — к...
Бесперебойник Ippon Back Power Pro 700 — купить...
ИБП Ippon Back Power Pro 600 — купить в Красноя...
ИБП IPPON BACK POWER PRO 600 — купить в Красноя...
Ippon Back Power Pro LCD 400 Черный инструкция,...
ИБП ups ippon back power pro 500 — купить в Кра...
ИБП Ippon Back Power Pro II 500 - купить в Сити...
IPPON BACK POWER PRO 500 683392. Купить Источни...
Ippon Back Power Pro 400 Инструкция - mastersle...
Ippon Back Power Pro 500 - ATX и UPS - Форум по...