Схема центрального замка Шевроле Нива что делат...
Схема центрального замка шевроле нива
Схема центрального замка шевроле нива: что дела...
На Шевроле Нива не работает центральный замок: ...
Схема центрального замка Шевроле Нива: что дела...
Блок центрального замка нива шевроле где находится
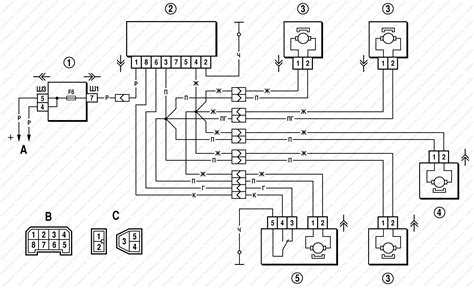
Схема центрального замка нива
Схема замка нива шевроле
Центральный замок автомобиля - устройство, прин...
Как открыть замок Нива Шевроле: Советы по откры...
Распиновка бубд нива шевроле
Схема центрального замка нива шевроле
Эбу блок центрального замка Шевроле Лачетти | F...
Шема центрального замка для Нива Шевроле - схем...
Центральный замок нива шевроле схема: Электросх...
Реле центрального замка нива шевроле - Автомоби...
Шевроле авео блок центрального замка где находится
Центральный замок шевроле нива
Центральный замок - советы профи по подключению...