Труба профильная 15х15х1,5 — продажа в розницу ...
мет.тръбичка 15x2мм цвят:сребро отв.1,5мм 50 бр...
Труба 15 мм цена Труба стальная ВГП диаметр 15 ...
Трубка ректальна №15 Київгума ВАТ (Україна, Киї...
Труба 15х15х0.8 профильная цена низкая за тонну...
Трубы 15Х5М
Труба стальная оцинкованная Ду-15, 2 метра. 300...
Труба 15x15x1.5 L-6000 купить в Липецке
Профильная труба тонкостенная 15x15х1,5 - Метал...
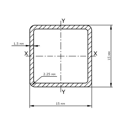
Профильная труба 15х15х1,5 мм. Профтруба длиной...
Труба квадратная 15х15 цена за метр леруа — куп...
TG-15-3000-AB Труба 15 x 15, длина - 3000 мм
Трубы медные 15 мм купить в Минске, стоимость
Квадратная труба профильная 15 х 15 х 1,5 купит...
Алюмінієва труба прямокутна 30х15x2 анодована к...
Купить Труба профильная х/к 15х15х1
Труба профильная, металлическая, квадратная, 15...
Трубы диаметром 15 мм купить в Пензе по низкой ...
Труба замятая 15x15 мм в Новосибирске | СТК Ков...
Труба профильная 15х15мм купить по цене от 4950...
Труба поливинилхлоридная ПВХ клеевая тонкостенн...
Отожженная медная труба 15 мм – купить в Санкт-...
Трубы сварные вод/газ 15x2.8 ДУ купить по цене ...
Воздухозаборная труба 15 метров - Дымогар.Ру
Труба профильная 15х15х1,5 мм цена, вес, Купить...
Труба алюминиевая 15х15 х1.5 мм купить Киев - о...
Профильная труба 15х15х1,5 мм, купить в металло...
Труба оцинкованная Ф15х2,8 мм стальная цена за ...
профильная труба 15х15 х1.5мм длинна 1500мм - к...
Заглушки для труб квадратні 15x15мм | Мeb-furni...
ᐉ Труба профільна квадратна 15x15x2 мм міра • К...
Купить со скидкой качественную медную трубу 15 ...
Профильная труба 15х15х1,5 квадратная горячекат...