Не работает сигнал опель астра h
Opel astra h не работает звуковой сигнал на рул...
Снятие, установка, замена звукового сигнала на ...
Купить сигнал звуковой низкий (335hz) 13138173 ...
Ремонт звукового сигнала — Opel Astra H, 1,8 л,...
Встроенный Bluetooth в штатную магнитолу Opel A...
Карты монтажа сигнализаций opel
Установка сигнализации на Opel Astra H, точки п...
Звуковой сигнал Опель Астра h н громкий автомоб...
1228023 Сигнал звуковой Опель Астра H GM | Запч...
Купить Сигнал звуковой Опель Астра Н 2008 в Чел...
Звуковой сигнал. — Opel Astra H, 1,8 л, 2011 го...
звуковой сигнал. opel astra H. - YouTube
Приборная панель Opel Astra H: описание значков...
Звуковой сигнал — Opel Astra H, 1,6 л, 2011 год...
Пропал звуковой сигнал Opel Astra H - YouTube
Купить Звуковой сигнал (клаксон) Опель Астра Н ...
Тягово-сцепное устройство. Звуковой сигнал (Опе...
Опель астра h расшифровка ошибок на панели приб...
Опель Астра h Скрытое меню регулировки звука - ...
Замена звукового сигнала на Opel Astra H — Opel...
Сигнал Opel astra h (Опель астра h) купе купить...
6228132 Звуковой сигнал Опель Астра 1999 GM | З...
Звуковой сигнал — снятие и установка (Опель Аст...
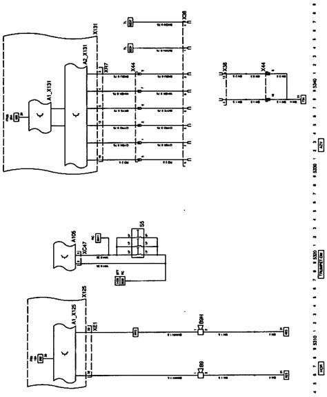
Электросхема звукового сигнала тип 1 Opel Astra-H
Схема предохранителей Опель Астра h и их распол...
13187204 Сигнал звуковой GM Astra H / Family (2...
Сигнал звуковой General Motors 13473454 Opel As...
Электросхема звукового сигнала тип 3 Opel Astra-H
Сигнал звуковой Opel Astra H Опель Астра Г | Fe...