Предохранитель прикуривателя мондео 4: Предохра...
Как снять обшивку багажника форд мондео 4 седан...
Проблема с открыванием бардачка ford Mondeo 4 -...
Как открыть багажник форд мондео 4 – Как открыт...
Форд мондео 4 рестайлинг предохранители: Предох...
Как установить багажник на крышу форд мондео 4 ...
Назначение предохранителей Форд Мондео 4 и реле...
Распиновка замка багажника форд мондео 4 седан ...
Ручка открывания дверей Форд Мондео мк4, Дверна...
Схема предохранители форд мондео 4: Предохранит...
Как открыть форд мондео 4 без ключа - 85 фото
Форд мондео 4 подогрев сидений не работает: Не ...
Снять обшивку дверей на рав 4: Не открывается б...
Пневмоподвеска на Форд Мондео 4. Органы управле...
Предохранители и реле Ford Mondeo 4
Не работает кнопка открывания багажника - Стран...
Распиновка разъема крышки багажника форд мондео...
Как обучить стеклоподъемники на форд мондео 4 -...
Распиновка предохранителей форд мондео 4 - Элек...
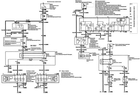
Форд мондео 4 проводка багажника схема
Не открывается багажник Форд Мондео 2 - YouTube
ФОРД МОНДЕО 4 (2012) НЕ ОТКРЫВАЕТСЯ БАГАЖНИК - ...
Не работает прикуриватель форд мондео 4 - 90 фото