Crystal filter - Alchetron, The Free Social Enc...
Crystal Filter Kit – CinePacks
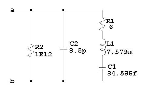
CRYSTAL FILTER
Crystal filter design for am operation - hydrop...
CTR Kristal / Kristal Base Filter | Cooling Edg...
Custom Crystal Filter - Microtrone
Crystal Bio-Rock, Filtermedium Koi Teich Filter...
Crystall – der elektronische Filter - WirliebenBau
Kristal Filter | Tee Filter | Kristalle | Teeku...
Crystal filter 10.7 mhz - 2.4 khz bw
Trinkwasser-Filter | Kristall New Line Permeat ...
Crystallus Filtersets | Vorkonfigurierte Filter...
Crystal Filter – Microwave Product Digest
The Creative Science Centre - by Dr Jonathan P....
MENJUAL KOMPONEN RADIO: Kristal Filter 10 Mhz
-The Tracking Crystal Filter Environment | Down...
Crystals Filter at best price in Mumbai by Keit...
Crystal filter design on line - flonsa
Crystal filter design for am operation - career...
Crystal Filter Design Software - wesgrade
Crystal Filters | Murata Manufacturing Co., Ltd.
12.94MHz Crystal Filter Archives - Microtrone
Crystal Filter Design
Crystal Filter - Direnc.net
Crystal Filter With Nominal Frequency Of 10.695...