Трактор Т-16. Ходовая часть
Daewoo / Hyundai / KIA Подшипник первичного вал...
Регулировка подшипников шпинделя токарного стан...
Выжимной подшипник сцепления Т-16, Т-25, Т-40 (...
Ступица Т16 Т25 задняя, гриб, Полуось, Ось: 2 6...
Трактор Т-16 | Т-16 мг, технические характерист...
Корзина сцепления трактора Т 16 - АВТОМЕХАНИК
Подшипник выжимной главной муфты трактора Т-40,...
Трактор Т-16. Обслуживание гидравлической системы
Регулировка сцепления Т 16, устройство и особен...
Трактор Т-16 - технические характеристики и уст...
Поршнева група трактора Т-16 Т-25 з циліндром ВМТЗ
Выжимной подшипник для установки 16 клапанного ...
Купить подшипник 9588217 отводка муфты сцеплени...
Каталог Т-16 - Запчасти к тракторам МТЗ
запчасти Т-16, Т-25, ЮМЗ, МТЗ, Т-150, Т-156 - п...
Трактор Т-16. Смазка подшипников
SIKS Фитнес дръжка JT16 за упражнения за предми...
Ступиця Т-16
Продам/купити комплект подшипников на КПП тракт...
Т 16м: Трактор Т-16: технические характеристики...
Купить запчасти на трактора T-16 в Украине
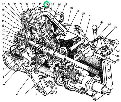
Трактор Т-16. Трансмиссия
Как отрегулировать подшипники шпинделя 16к20
Опора скользящиая диэлектрическая Т16.22 купить...
Выжимной подшипник сцепления ВАЗ 2101 - 2107 16...
АгроЛавка - Каталог запчастей Т-16
Трактор Т-16. Передний мост
Подшипник выжимной 9588217 (Т-40, Т-25, Т-16) г...