Плата управления насосом - YouTube
Схема управления насосом с частотным преобразов...
Схема шкафа управления насосом с частотным прео...
Бытовые циркуляционные насосы с частотным регул...
Насос купить в Краснодаре в интернет-магазине -...
управление насосом - YouTube
Пульт управления частотным преобразователем куп...
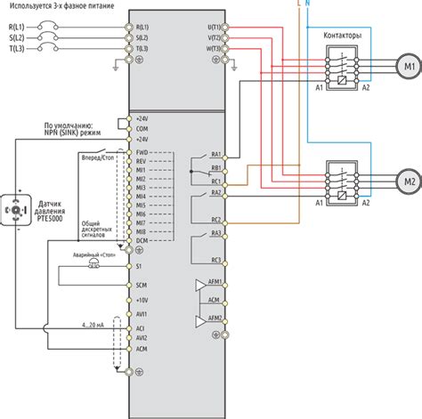
Шкаф управления с частотным преобразователем сх...
Управление частотным преобразователем с клеммно...
Трехпроводная схема управления частотным преобр...
Управляющие устройства » Схемы электронных устр...
Схема электропривода
Преобразователь частоты для насоса - YouTube
Как сделать автоматизацию скважинного насоса | ...
Блок управления насосом | Автоматическая подача...
Шкафы управления с частотным регулированием
Почему насос с частотным преобразователем не эк...
Блок управления насосом | Главный механик
Насосы с частотным регулированием | 64nasosa | ...
Схема управления частотного преобразователя - 9...
6.22. Система управления насосом с преобразоват...