Модуль DC/AC инвертор-преобразователь 12В DC - ...
Преобразователь АС/DC 2000W 24V: продажа, цена ...
Купить 12 в 400ма АС-DC изолированный понижающи...
Зарядное устройство – преобразователь АС/DC 40А
Купить АС-DC 12 в 5 вт питание в 450ма понижающ...
Купить АС-DC понижающий преобразователь двойной...
DC-AC инвертор преобразователь 12В DC - 220В АС...
Инвертор преобразователь напряжения АС/DC 12-22...
Преобразователь АС-DC Переменного Напряжения в ...
Купить аксессуары ecl05us05-е "АС/DC преобразов...
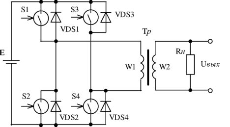
DC-АС ПРЕОБРАЗОВАТЕЛИ, Виды DC/AC-преобразовате...
5VDC 50Hz AC DC Switching Power Supply 220VAC 1...
Повышающий DC-DC преобразователь 1200Вт 20А - к...
Зарядное устройство – преобразователь АС/DC 10А
Преобразователь DC 12 В - АС 220 В купить Киев ...
Оператор средств коммерческого учета - Преобраз...
DC-AC инвертор преобразователь 12В DC - 110/220...
Купить АС-DC 5 в 700 мА 3.5 вт точность преобра...